Pneumatic accessories PZB series
Pneumatic accessories PZB series Product Advantages
1. Quick joint one-stop purchase, straight, tee, variable diameter of all kinds of joints.
2. Plug and play, easy installation: process upgrade, high-quality material selection, plastic release sleeve coordination.
3. Release release sealing performance is good: advanced material, precision structure, durable.
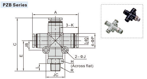
Pneumatic accessories PZB series External specification

Model\item | φD | R | L | A | E | C | 中P | K | φJ | JB | JC | H | Weight(g |
PZB601 | 6 | 1/8" | 7.5 | 39.5 | 27.5 | 47.5 | 12.5 | 6.5 | 3.2 | 8 | 16 | 12 | 15.2 |
PZB602 | 1/4" | 10 | 30.5 | 50.5 | 14 | 20.4 | |||||||
PZB603 | 3/8" | 11 | 32 | 52 | 17 | 27 | |||||||
PZB801 | 8 | 1/8" | 7.5 | 46 | 30.5 | 53.5 | 15 | 8.5 | 4.3 | 9.5 | 19 | 14 | 20.9 |
PZB802 | 1/4" | 10 | 33 | 56 | 14 | 23.8 | |||||||
PZB803 | 3/8" | 11 | 34.5 | 57.5 | 17 | 29.9 | |||||||
PZB804 | 1/2" | 14 | 38.5 | 61.5 | 21 | 43.5 | |||||||
PZB1002 | 10 | 1/4" | 10 | 52.5 | 36.5 | 63 | 18 | 21 | 4.3 | 11 | 22 | 17 | 33.5 |
PZB1003 | 3/8" | 11 | 37.5 | 64 | 17 | 36.5 | |||||||
PZB1004 | 1/2" | 14 | 41.5 | 68 | 21 | 49.2 | |||||||
PZB1203 | 12 | 3/8" | 11 | 59.5 | 42 | 72 | 21 | 23 | 4.3 | 13 | 26 | 21 | 56.5 |
PZB1204 | 1/2" | 14 | 45 | 75 | 21 | 65.4 |


