Standard cylinder SAI Series
Standard cylinder——SAI Series Product Advantages
1.Standard cylinder manufactured by our enterprise.
2.The seal of piston adopts heterogeneous two way seal structure.It's dimension is tight andit has the function of oil reservation.
3.It is no tie rod cylinder.The cylinder barrel is "Mickey Mouse"shape,and have goodCOTosion
4.Compared with ISO15552 standard cylinder,SU series cylinder with the same bore size isshorter.
5.The buffer adjustment of cylinder is smooth and steady.
product details
1.Mounting accessories are the same as SC series.
2.The seal material with high temperature resistance is adopted to guarantee the normaloperation of cylinder at 150°℃.
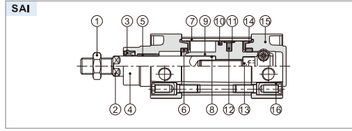
Standard cylinder——SAI Series Inner structure

NO. | ltem | Material |
1 | Rod nut | Carbon steel\Stainless steel |
2 | Piston rod | Carbon steel with 20μm chrome plated |
3 | Front cover packing | TPU |
4 | Front cover | Aluminum alloy |
5 | Bushing | Wear resistant material |
6 | Cushing O-ring | TPU |
7 | Barrel | Aluminum alloy |
8 | O-ring | NBR |
9 | Piston | Aluminum alloy |
10 | Piston Seal | NBR |
11 | Wear ring | Wear resistant material |
12 | Magnet | Plastic(φ100 and below)\Rubber(Others) |
13 | Bolt | Carbon steel |
14 | Buffer gasket | TPU |
15 | Back cover | Aluminum alloy |
16 | Screw | Carbon steel\Stainless steel |
Standard cylinder——SAI Series External specification

Bore size\ltem | A | AB | AC | AD | AE | B | D | DA | E | EA | F | FA | M | MA | H | K | KA | KB | N | NA | P | PA | PB |
32 | 142 | 48 | 94 | 27.5 | 27.5 | 47 | 12 | 29 | M10×1.25 | 22 | 17 | 6 | 30 | 19 | 10 | M6 | 16 | 32.5 | 30 | 3 | 1/8" | 13 | 5.5 |
40 | 159 | 54 | 105 | 32 | 32 | 53 | 16 | 33 | M12×1.25 | 24 | 17 | 7 | 35 | 21 | 13 | M6 | 17 | 38 | 35 | 3.5 | 1/4" | 17 | 6 |
50 | 175 | 69 | 106 | 31 | 31 | 65 | 20 | 42 | M16×1.5 | 32 | 23 | 8 | 40 | 27 | 17 | M8 | 17 | 46.5 | 40 | 3.5 | 1/4" | 15.5 | 7.5 |
63 | 190 | 69 | 121 | 33 | 33 | 75 | 20 | 42 | M16×1.5 | 32 | 23 | 8 | 45 | 27 | 17 | M8 | 17 | 56.5 | 45 | 4 | 3/8" | 16.5 | 7.5 |
80 | 214 | 86 | 128 | 33 | 33 | 95 | 25 | 53 | M20×1.5 | 40 | 26 | 10 | 45 | 33 | 22 | M10 | 19 | 72 | 45 | 4 | 3/8" | 16.5 | 9 |
100 | 229 | 91 | 138 | 37 | 37 | 115 | 25 | 55 | M20×1.5 | 40 | 26 | 10 | 55 | 36 | 22 | M10 | 19 | 89 | 55 | 4 | 1/2" | 18.5 | 9.5 |
125 | 279 | 119 | 160 | 46 | 46 | 140 | 32 | 74 | M27×2.0 | 54 | 41 | 13.5 | 60 | 45 | 27 | M12 | 22 | 110 | 60 | 4 | 1/2" | 23 | 14 |
160 | 332 | 152 | 180 | 50 | 50 | 180 | 40 | 94 | M36×2.0 | 72 | 55 | 18 | 65 | 58 | 36 | M16 | 30 | 140 | 65 | 4 | 3/4" | 25 | 15 |
200 | 347 | 167 | 180 | 50 | 50 | 220 | 40 | 100 | M36×2.0 | 72 | 55 | 18 | 75 | 67 | 36 | M16 | 30 | 175 | 75 | 5 | 3/4" | 25 | 15 |
Remark:The dimensions of magnet type cylinder are the same as non-magnet type cylinder. | |||||||||||||||||||||||


